BỘ DIỀU KHIỂN AM4030 – 3
– Mạch điện tử điều khiển là những mạch điện tử đảm nhận chức năng điều khiển những thiết bị được lắp đặt với mạch điều khiển. Các thiết bị có thể là thiết bị truyền động máy bơm nước, máy nóng lạnh, máy điều hòa, cây nóng lạnh, nồi cơm điện, bàn ủi, đèn giao thông, các loại ámy móc công nghiệp,… Rất nhiều thiết bị điện đều cần phải sử dụng mạch điều khiển điện tử để hoạt động đúng theo mong muốn của người dùng.

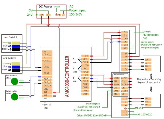
BẢNG VẼ KỸ THUẬT CỦA BỘ ĐIỀU KHIỂN AM4030-3

TỪ VIẾT TẮT
MỘT SỐ HÌNH ẢNH CỦA CÔNG TY

THÔNG TIN NHÀ NHẬP KHẨU VÀ PHÂN PHỐI BỘ ĐIỀU KHIỂN – AM4030-3
Thông tin liên hệ Công ty TNHH Thương Mại Kỹ Thuật Quốc Tế VNS
Tư vấn kỹ thuật và báo giá :
0969 666 603 (Mr. Nam: Sales Manager)
HotLine: 028 2200 3333
Email : Info@vnsgroup.com.vn | HoangNam.Agpps@gmail.com
Địa Chỉ VP: 453B Đường Chiến Lược, Khu Phố 6, Phường Tân Tạo, Quận Bình Tân, TP.HCM
Địa Chỉ Kho Hàng: C2/34/E3 Đường Bầu Gốc, Ấp 3, Xã Tân Kiên, Huyện Bình Chánh, TP.HCM
Website : www.vnsgroup.com.vn | www.khinen.com.vn | www.vnsgroup.net
Quý khách hàng vui lòng liên hệ để được tư vấn những Option cao cấp hơn giúp tăng tuổi thọ của sản phẩm cũng như giảm thời gian bảo trì lắp đặt.
TẠI SAO NÊN MUA SẢN PHẨM BỘ ĐIỀU KHIỂN AM4030-3 TPC TẠI CÔNG TY QUỐC TẾ VNS
✅ Công Ty VNS chúng tôi hân hạnh là nhà phân phối chính thức của TPC Mechatronics Corp tại thị trường Việt Nam luôn cam kết hàng chính hãng.
✅ Là sản phẩm được công ty SMC của NHẬT BẢN tin dùng nên có thể thấy Xy Lanh TPC là Sản Phẩm Chất lượng NHẬT BẢN với Giá HÀN QUỐC.

✅ Luôn hỗ trợ tư vấn kỹ thuật miễn phí cho khách hàng như;
✅ Hỗ trợ tham quan khảo sát thiết bị tận nơi cho khách hàng.
✅ Cung cấp giá cả hợp lý cho khách hàng khi mua sản phẩm của công ty.
✅ Bảo hàng 1 năm cho các sản phẩm Khí Nén TPC
✅ Cung cấp những giải pháp tối ưu và tốt nhất cho khách hàng.
✅ Giải quyết nhanh chóng đơn đặt hàng khi có yêu cầu đặt hàng.










































