CON TRƯỢT VUÔNG CSK DÒNG LMG C/LC
Công Ty TNHH Thương Mại Kỹ Thuật Quốc Tế VNS Group là đơn vị chuyên nhập khẩu Con Trượt Vuông CSK dòng LMG C/LC chính hãng với giá tốt nhất thị trường. Ngoài ra công ty còn hỗ trợ kỹ thuật tận nơi, cung cấp những giải pháp tốt nhất đến khách hàng và dịch vụ giao hàng toàn quốc.

Thông Tin Về Con Trượt Vuông CSK Dòng LMG C/LC
Ray dẫn hướng tuyến tính series LMG sử dụng bốn hàng bóng với góc tiếp xúc cung 45 độ theo thiết kế chịu tải, nó có độ cứng cao, hiệu suất tải cao, nhưng cũng có thể chịu được lực tải xuyên tâm, xuyên tâm ngược và ngang ngang bốn hướng, đặc tính tự căn chỉnh trong thiết bị Lắp ráp để hấp thụ bề mặt lắp ráp của lỗi lắp và sự hồi lưu của viên bi thép di chuyển nhiều hơn để cung cấp đặc tính ma sát thấp, nhận thức đầy đủ của thiết bị chính xác cho độ chính xác cao, độ tin cậy cao và tuyến tính ổn định và trơn tru nhu cầu chuyển động.
Điểm Nổi Bật Của Con Trượt Vuông CSK Dòng LMG C/LC

- Độ cứng cao, tải trọng cao
- Khả năng tự căn chỉnh tự động
- Hệ thống bụi hoàn toàn kín
- Độ chính xác định vị cao, khả năng tái tạo tốt hơn
- Tốc độ cao, tiếng ồn thấp
- Với khả năng thay thế cho nhau
- Thiết kế thanh trượt phù hợp với tiêu chuẩn quốc tế
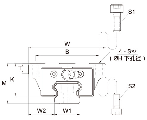
Thông Số Kỹ Thuật Của Con Trượt Vuông CSK Dòng LMG C/LC

| Model | Portfolio size | Slider size | |||||||||||||
| Height | Width | Length | B | C | Mounting hole | L1 | T | K | N | e1 | e2 | e3 | G | Fuel injectors | |
| M | W | L | S*l | Specifications | |||||||||||
| LMG15 C | 24 | 47 | 58.2 | 38 | 30 | M5*8 | 39.5 | 5.5 | 19.5 | 5 | 3.3 | 4 | 8.6 | 5 | M4*0.7 |
| LMG20 C | 30 | 63 | 75 | 53 | 40 | M6*10 | 52.5 | 7 | 25.4 | 8.5 | 4.5 | 7 | 10.8 | 12 | M6*0.75 |
| LMG20 LC | 30 | 63 | 89.4 | 53 | 40 | M6*10 | 66.9 | 7 | 25.4 | 8.5 | 4.5 | 7 | 18 | 12 | M6*0.75 |
| LMG25 C | 36 | 70 | 83.6 | 57 | 45 | M8*13 | 58.6 | 8 | 29.5 | 10 | 5 | 9.5 | 11.8 | 12 | M6*0.75 |
| LMG25 LC | 36 | 70 | 102.6 | 57 | 45 | M8*13 | 77.6 | 9 | 29.5 | 10 | 5 | 9.5 | 21.3 | 12 | M6*0.75 |
| LMG30 C | 42 | 90 | 98 | 72 | 52 | M10*15 | 69.8 | 10 | 34 | 8 | 6 | 8 | 14 | 12 | M6*0.75 |
| LMG30 LC | 42 | 90 | 120.2 | 72 | 52 | M10*15 | 92 | 10 | 34 | 8 | 6 | 8 | 25.1 | 12 | M6*0.75 |
| LMG35 C | 48 | 100 | 111.2 | 82 | 62 | M10*15 | 80.2 | 10 | 38.5 | 8 | 7.5 | 8 | 15.6 | 12 | M6*0.75 |
| LMG35 LC | 48 | 100 | 136.6 | 82 | 62 | M10*15 | 105.6 | 10 | 38.5 | 8 | 7.5 | 8 | 28.3 | 12 | M6*0.75 |
| LMG45 C | 60 | 120 | 137.8 | 100 | 80 | M12*18 | 102.2 | 12 | 49 | 10 | 8.5 | 10 | 17.6 | 13.5 | PT 1/8 |
| LMG45 LC | 60 | 120 | 169.5 | 100 | 80 | M12*18 | 133.9 | 12 | 49 | 10 | 8.5 | 10 | 33.5 | 13.5 | PT 1/9 |
| Rail size | Basic load ratings | Rated static torque | Quality | ||||||||||
| Amplitude | W2 | Height | Hole spacing | Mounting bolt hole | Dynamic load | Static load | MP(KN*m) | MY(KN*m) | MRKN*m | Slider | Guide rail | ||
| W1 | M1 | F | D*h*d | C | C0 | A single slider | The two sliders | A single slider | The two sliders | kg | Kg/m | ||
| KN | KN | Close contact | Close contact | ||||||||||
| 15 | 16 | 13 | 60 | 7.5*5.3*4.5* | 11.8 | 18.9 | 0.13 | 0.76 | 0.13 | 0.76 | 0.15 | 0.19 | 1.29 |
| 20 | 21.5 | 15 | 60 | 9.5*8.5*6 | 20 | 32 | 0.3 | 1.68 | 0.3 | 1.68 | 0.33 | 0.42 | 1.92 |
| 20 | 21.5 | 15 | 60 | 9.5*8.5*6 | 23.2 | 39.3 | 0.44 | 2.36 | 0.44 | 2.36 | 0.41 | 0.53 | 1.92 |
| 23 | 23.5 | 18 | 60 | 11*9*7 | 27.9 | 42.5 | 0.44 | 2.47 | 0.44 | 2.47 | 0.51 | 0.62 | 2.67 |
| 23 | 23.5 | 18 | 60 | 11*9*7 | 34.2 | 56.6 | 0.76 | 3.99 | 0.76 | 3.99 | 0.67 | 0.81 | 2.67 |
| 28 | 31 | 23 | 80 | 14*12*9* | 38.8 | 57.8 | 0.7 | 3.88 | 0.7 | 3.88 | 0.83 | 1.1 | 4.48 |
| 28 | 31 | 23 | 80 | 14*12*9* | 47.5 | 77.1 | 1.21 | 6.28 | 1.21 | 6.28 | 1.11 | 1.43 | 4.48 |
| 34 | 33 | 26 | 80 | 14*12*9 | 51.7 | 75.5 | 1.04 | 5.72 | 1.04 | 5.72 | 1.31 | 1.5 | 6.24 |
| 34 | 33 | 26 | 80 | 14*12*9 | 63.2 | 100.7 | 1.81 | 9.29 | 1.81 | 9.29 | 1.75 | 1.94 | 6.24 |
| 45 | 37.5 | 32 | 105 | 20*17*14 | 83.2 | 118 | 2.03 | 10.89 | 2.03 | 10.89 | 2.71 | 2.83 | 10.25 |
| 45 | 37.5 | 32 | 105 | 20*17*14 | 101.7 | 157.3 | 3.54 | 17.76 | 3.54 | 17.76 | 3.62 | 3.68 | 10.25 |
Địa Chỉ Mua Con Trượt Vuông CSK Dòng LMG C/LC Chính Hãng Tại HCM
TẠI SAO NÊN MUA SẢN CON TRƯỢT VUÔNG CSK DÒNG LMG C/LC TẠI CÔNG TY QUỐC TẾ VNS
✅ Luôn hỗ trợ tư vấn miễn phí cho khách hàng như;
✅Có đầy đủ chứng nhận CO CQ VAT
✅ Hỗ trợ tham quan khảo sát thiết bị tận nơi cho khách hàng.
✅ Cung cấp giá cả hợp lý cho khách hàng khi mua sản phẩm của công ty.
✅ Bảo hành 12 tháng cho các sản phẩm Con Trượt Vuông CSK theo tiêu chuẩn nhà sản xuất
✅ Cung cấp những giải pháp tối ưu và tốt nhất cho khách hàng.
✅ Giải quyết nhanh chóng đơn đặt hàng khi có yêu cầu đặt hàng.
Quý khách có thể kham khảo một số sản phẩm khác của công ty TẠI ĐÂY
THÔNG TIN NHÀ NHẬP KHẨU VÀ PHÂN PHỐI CON TRƯỢT VUÔNG CSK
Thông tin liên hệ Công ty TNHH Thương Mại Kỹ Thuật Quốc Tế VNS
Tư vấn kỹ thuật và báo giá:
0969 666 603 (Mr. Nam: Sales Manager)
HotLine: 028 2200 3333
Email : Info@vnsgroup.com.vn | HoangNam.Agpps@gmail.com
Địa Chỉ VP: 453B Đường Chiến Lược, Khu Phố 6, Phường Tân Tạo, Quận Bình Tân, TP.HCM
Địa Chỉ Kho Hàng: C2/34/E3 Đường Bầu Gốc, Ấp 3, Xã Tân Kiên, Huyện Bình Chánh, TP.HCM
Website : www.vnsgroup.com.vn | www.khinen.com.vn | www.vnsgroup.net
Quý khách hàng vui lòng liên hệ để được tư vấn những Option cao cấp hơn giúp tăng tuổi thọ của con trượt cũng như giảm thời gian bảo trì lắp đặt.



















































